Könner & Söhnen Invertorová elektrocentrála KS 4000iE S ATS
Maximálny výkon: 4 kW
Menovitý výkon: 3,5 kW
Výstupné napätie: 230 V/50 Hz
Menovitý prúd: 17,4 A
Könner & Söhnen Invertorová elektrocentrála KS 4000iE S ATS
Len pre individuálnych spotrebiteľov energie
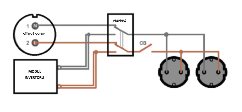
Striedač-generátor KS 4000iE S ATS má zabudovanú jednotku ATS a môže byť ovládaný manuálne alebo automaticky.
Otočný vypínač OFF-RUN na pravej strane generátora kombinuje palivový kohútik, vypínač pre interný 12 V zdroj a vypínač zapaľovania. Keď sa generátor nepoužíva, mal by zostať v polohe OFF, aby sa zabránilo vybitiu lítiovej batérie v generátore. Generátor sa dodáva s odpojeným akumulátorom a pri prvom spustení by mal byť pripojený pod ľavým bočným krytom. Hneď ako je generátor v prevádzke alebo je do elektrickej siete privedené napätie 230 V (bez ohľadu na polohu otočného prepínača), batéria sa dobíja pomocou vnútorného nabíjacieho modulu.
Pripojenie 230 V SIEŤOVÉHO NAPÁJANIA sa sleduje hneď, ako je otočný prepínač nastavený do polohy RUN (beží) a prepínač ATS SWITCH (prepínač ATS) je prepnutý do polohy ON (zapnutý). Ak 230V MAINS INPUT zlyhá, regulátor ATS spustí generátor a prepne jeho výstupné zásuvky 230V na modul meniča.
KS 4000iE S ATS má 2 x 230V zásuvky, ktoré sa spínajú rôzne v závislosti od verzie generátora.
Len pre individuálnych spotrebiteľov energie
Obe zásuvky 230 V sú aktívne pri prevádzke z elektrickej siete aj pri prevádzke z generátora.
Obe zásuvky 230 V napájajú ten istý systém (IT, TN, TT) ako HLAVNÝ VSTUP pri prevádzke z HLAVNÉHO VSTUPU. Generátor musí byť pre systém TT a TN uzemnený medeným káblom 6-10 mm² (v závislosti od miestnych predpisov) pripojením jeho uzemňovacej skrutky k tej istej uzemňovacej lište, kde je uzemnený HLAVNÝ VSTUP 230 V.
Obe zásuvky po prepnutí napájania generátora napájajú iba sieť IT bez uzemneného nulového vodiča. Musia sa dodržiavať predpisy a ochranné opatrenia pre IT systém.
Táto konštrukcia generátora sa môže použiť na ochranu spotrebičov, ktoré môžu pracovať v sieti TN aj v sieti IT. V automatickom režime nie je možné napájať celý dom!
Ak chcete napájať jednotlivé spotrebiče alebo skupiny spotrebičov (dom, kancelária atď.) v systéme TN s uzemneným nulovým vodičom v automatickom režime, odporúčame použiť generátor KS 4000iE S ATS verzia 2.
Odmietnutie zodpovednosti:
Tento návod možno považovať len za odporúčanie, je ilustratívny a musí sa prispôsobiť presným okolnostiam a podmienkam na mieste inštalácie. Skutočnú inštaláciu by mal vykonať autorizovaný elektrikár a v súlade so všetkými miestne platnými normami a predpismi. Za nesprávnu inštaláciu a jej dôsledky sa nepreberá žiadna zodpovednosť.
SPRÁVNA SÍNUSOIDA
Zabudovaná elektronická jednotka s mikroprocesorovým riadením riadi prevádzku generátora a poskytuje stabilné výstupné napätie 230 V 50 Hz so sínusovým priebehom, ktoré je vhodné na spoľahlivú prevádzku citlivej elektroniky.

SPOĽAHLIVÝ MOTOR
Spoľahlivý motor značky K&S sa vyznačuje vysokou odolnosťou proti opotrebovaniu, dlhou a stabilnou prevádzkou a spĺňa všetky európske normy kvality vrátane EURO V.

EFEKTÍVNY REŽIM
ÚSPORNÝ REŽIM znižuje spotrebu paliva až o 50 % pri nízkom zaťažení vďaka nižším otáčkam motora.
ZABUDOVANÝ SYSTÉM ATS
Generátor je vybavený vnútornou jednotkou ATS. Jednotka ATS monitoruje napätie hlavného napájania, v prípade výpadku napájania spúšťa generátor a prepína záťaž, ktorá má byť napájaná generátorom. Po návrate AT
S prepne späť na hlavné napájanie a zastaví generátor.

ERGONOMICKÝ OVLÁDACÍ PANEL
Ergonomický ovládací panel je vybavený LED displejom, prepínačom ECO režimu a tlačidlom RESET na resetovanie elektronickej ochrany proti preťaženiu spustenej v module meniča a obnovenie napájania. Hlavné parametre sú riadené mikroprocesorom. Ochrana proti nízkej hladine oleja zastaví generátor, keď je v motore príliš málo oleja.

NÍZKA HLADINA HLUKU
Zvukotesný kryt zaručuje nízku hladinu hluku (66 dB Lpa 7 m), jednoduché používanie a pohodlnú prepravu. Je vybavený prepravnou súpravou na jednoduché premiestnenie.

VYSOKOKVALITNÝ ALTERNÁTOR
Invertorové generátory Könner & Söhnen majú vysokokvalitný bezkartáčový alternátor so 100 % medeným vinutím. Spoľahlivý a kompaktný alternátor je inštalovaný na permanentných magnetoch, v plastovom kryte a vydrží maximálne zaťaženie bez poškodenia, čo zaručuje dlhodobú spoľahlivú prevádzku generátora.
SADA PREVÁDZKY
Invertorové generátory Könner & Söhnen sú vybavené prepravným systémom na pohodlný presun. Dve kolieska a rukoväť, ktorá sa zdvihne, keď je generátor v pohybe, zabezpečujú pohodlnú prepravu a mobilitu zariadenia.
Dodatočné parametre
| Kategória: | Invertorové elektrocentrály |
|---|---|
| Záruka: | 2 roky |
| Hmotnosť: | 43.4 kg |
| Použitie: | Len pre individuálnych spotrebiteľov energie |
| Maximálny výkon: | 4 kW |
| Menovitý výkon: | 3,5 kW |
| Výstupné napätie: | 230 V |
| Menovitý prúd: | 17,4 A |
| Frekvencia: | 50 Hz |
| Zásuvky: | 2 x Schuko 230 V |
| Štart: | manuálne/elektrický/auto |
| Objem palivovej nádrže: | 12 l |
| LED displej: | Napětí, frekvence, pracovní doba |
| Hladina hluku Lpa (7 m)/Lwa, dB: | 66/91 |
| Model motora: | KS 240i |
| Zdvihový objem: | 223 cm3 |
| Typ motora: | Benzínový, jednovalcový, štvortaktný, vzduchom chladený |
| Výkon motora: | 7,5 hp |
| Paralelná zásuvka generátora: | ne |
| Výstup pre ATS: | Zabudovaný systém ATS |
| Objem kľukovej skrine: | 0,6 l |
| Akumulátor: | 1,6 Ah |
| Čisté rozmery (D*Š*V): | 620х440х510 mm |
| Hrubé rozmery (D*Š*V): | 630х475х570 mm |
| Čistá hmotnosť: | 40 kg |
| Hrubá hmotnosť: | 43,4 kg |
Diskusia
Buďte prvý, kto napíše príspevok k tejto položke.
